管夹阀
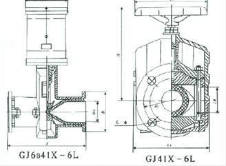
产品简图

GJ6B41×-6L常闭型气动管夹阀 GJ41×-6L管夹阀

GJ6B41×-6L常闭型气动管夹阀 GJ41×-6L管夹阀总装图
主要性能规范
| 工作温度 | 适用介质 |
| ≤85℃ | 矿浆、磨料、干湿型粉尘类 |
注:此为本厂基型产品适用温度,如有不同要求请参阅前页说明进行选择。
主要零件材料
| 名称 | 材料 |
| 阀体 | 铝合金 |
| 套管 | 橡胶 |
| 阀杆 | 铸钢、碳钢 |
| 压杆 | 铝合金 |
| 手轮 | 铸铁 |
| 托架 | 球墨铸铁 |
主要外形及连接尺寸
| 公 称 通 径 | 公称压力 /MPa | 工作压力 /MPa | L | D | D1 | Z-Фd | H1 | H2 | Do | 重量 /?K | |
| DN/mm | NPS/inch | ||||||||||
| 15 | 1/2 | 1.6 | 1.6 | 108 | 95 | 65 | 4-14 | ||||
| 20 | 3/4 | 117 | 105 | 75 | 4-14 | 93 | 103 | 66 | 3 | ||
| 25 | 1 | 127 | 115 | 85 | 4-14 | 100 | 112 | 66 | 4 | ||
| 32 | 1 1/4 | 146 | 140 | 100 | 4-18 | 127 | 144 | 96 | 6.5 | ||
| 40 | 1 1/2 | 159 | 150 | 110 | 4-18 | 136 | 156 | 96 | 7.5 | ||
| 50 | 2 | 1910 | 165 | 125 | 4-18 | 151 | 177 | 118 | 10 | ||
| 65 | 2 1/2 | 1.0 | 1.0 | 216 | 185 | 145 | 4-18 | 183 | 213 | 165 | 16 |
| 80 | 3 | 254 | 200 | 160 | 8-18 | 198 | 273 | 230 | 23.5 | ||
| 100 | 4 | 305 | 220 | 180 | 8-18 | 266 | 320 | 280 | 34 | ||
| 125 | 5 | 356 | 250 | 210 | 8-18 | 319 | 286 | 280 | 44 | ||
| 150 | 6 | 406 | 285 | 240 | 8-22 | 380 | 453 | 368 | 67.5 | ||
| 200 | 8 | 0.6 | 521 | 340 | 295 | 8-22 | 506 | 626 | 400 | 141.5 | |
| 250 | 10 | 635 | 395 | 350 | 12-22 | 598 | 734 | 500 | 229 | ||
| 300 | 12 | 0.4 | 749 | 445 | 400 | 12-22 | 698 | 778 | 560 | 321 | |
| 350 | 14 | 749 | 505 | 460 | 16-22 | 723 | 883 | 560 | 360 | ||
| 400 | 16 | 0.25 | - | 565 | 515 | 16-26 | 868 | 1078 | 640 | 584 | |
采用标准 设计与制造:Q/JBGN02 结构长度:Q/JBGN02 法兰连接尺寸:JB78(PN1.0MPa)
注:
1.本网页的管夹阀(衬里阀门)结构、结构图、尺寸、参数等主要性能参数,以及安装尺寸图、安装尺寸表均只适用于参考,详细CAD图、安装图、以及产品说明书请向泛亚电竞
阀门营销人员索取。
2.由于编辑水平有限,错误和不妥之处在所难免,真诚希望您批评指正。
管夹阀相关产品
上一页:塑料隔膜阀
返回至本系列目录:衬里阀门