SKA系列水环式真空泵
SKA系列水环式真空泵(简称:SKA真空泵),适于抽除气体和水蒸汽。吸气压力可以达到33mbar绝压(97%真空度)当真空泵在吸气压力低于80mbar的状态下长期工作时,应联接汽蚀保护管以对泵进行保护,如配大气喷射器(见附件表)吸气压力可达10mbar,喷射器可直接装在真空泵上。作为压缩机用时,其压力最大至0.26mbar(绝压)。
水环真空泵及压缩机被广泛用于石油化工、制药、食品、制糖工业等领域,由于在工作过程中,气体的压缩过程是等温的,所以在压缩和抽吸易燃易爆气体时,不易发生危险,其应用更加广泛。

SKA系列水环式真空泵
SKA真空泵结构及特点
机泵同轴式直联设计,节省空间,易于安装;
采用机械密封作为标准配置,消除了泄漏,维护简单;
运行平稳,噪音可低至62分贝;
统一的耐腐蚀设计,青铜叶轮提高了泵的耐腐蚀性,不锈钢材质则更适合更为苛刻的应用;
独特的柔性排气口设计,不会产生过压缩,确保了SKA在其性能范围内效率较佳。
SKA真空泵性能曲线及选型示例

SKA系列水环式真空泵曲线图
设计点参数:
吸气量V=100m3/h
吸气压力P1=40mbara
① 其余参数同标准状态(见注)
选择与设计点①最接近的一条曲线
② 本例中为71V
根据曲线编号查出相应的产品型号(即定货号,但仅限于标准型)如本例中可从71V查得泵型为SKA2071-ONC06-IP
注:该性能曲线是在吸入介质为20℃的饱和空气,工作液温度过15℃,排气压力1013mba的状态下得到的。性能允许差±10%。图中左侧为配用大气喷射器的性能曲线。
SKA真空泵主要技术规格
| 老型号 | 产品型号 |
额定功率 (KW) |
最大气量 (m3/h) |
工作液流量 (m3/h) |
重量 (KG) |
噪音 dB(A) |
| 2BV-2060 | SKA2060-0NC06-1P | 0.81 | 27 | 0.12 | 20 | 62 |
| 2BV-2061 | SKA2061-0NC02-1P | 1.45 | 52 | 0.12 | 22 | 65 |
| 2BV-2070 | SKA2070-0NC06-1P | 2.35 | 80 | 0.15 | 31 | 66 |
| 2BV-2071 | SKA2071-0NC06-1P | 3.85 | 110 | 0.25 | 42 | 72 |
| 2BV―5110 | SKA5110-0KC00-7P | 4 | 165 | 0.4 | 78 | 63 |
| 2BV-5111 | SKA5111-0KC00-7P | 5.5 | 230 | 0.5 | 100 | 68 |
| 2BV-5121 | SKA5121-0KC00-7P | 7.5 | 280 | 0.6 | 145 | 69 |
| 2BV-5131 | SKA5131-0KC00-7P | 11 | 400 | 0.9 | 165 | 73 |
| 2BV-5161 | SKA5161-0KC02-7P | 15 | 500 | 1.2 | 252 | 74 |
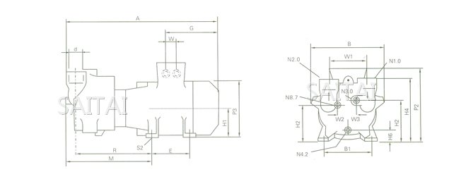
SKA2真空泵外形尺寸图及外形尺寸表(单位mm)

SKA系列水环式真空泵结构图1
| 型号 | 曲线编号 | A | B | B1 | E | H1 | H2 | H3 | H4 | H6 | M | P2 | P3 |
| SKA2-060 | 60V | 455 | 186 | 140 | 100 | 90 | 118 | 126 | 195 | 37.5 | 244 | 250 | 180 |
| SKA2-061 | 61V | 476 | 186 | 140 | 100 | 90 | 118 | 195 | 195 | 37.5 | 263 | 250 | 180 |
| SKA2-070 | 70V | 545 | 223 | 160 | 140 | 222 | 100 | 128 | 222 | 33 | 280 | 270 | 203 |
| SKA2-071 | 71V | 566 | 223 | 234 | 190 | 140 | 112 | 140 | 234 | 45 | 309 | 300 | 225 |
| 型号 | 曲线编号 | R | S2 | W1 | W2 | W3 | d | N3.0 | N4.2 | N8.7 |
| SKA2-060 | 60V | 217 | ф10 | 110 | 25.5 | 21 | G1 | G3/8″ | G1/4″ | G3/8″ |
| SKA2-061 | 61V | 236 | ф10 | 110 | 25.5 | 21 | G1 | G3/8″ | G1/4″ | G3/8″ |
| SKA2-070 | 70V | 252 | ф18 | 110 | 33 | 27 | G11/2″ | G3/8″ | G1/4″ | G3/8″ |
| SKA2-071 | 71V | 278 | ф18 | 110 | 33 | 27 | G11/2″ | G3/8″ | G1/4″ | G3/8″ |
SKA5真空泵外形尺寸图及外形尺寸表

SKA系列水环式真空泵结构图2
| 型号 | 曲线编号 | A | B | B1 | B2 | C1 | C2 | H1 | H2 | H3 | H4 | H5 | H6 | H7 | K | L |
| SKA5110-0KC | 101V | 637 | 325 | 255 | 190 | 41 | 26 | 140 | 156 | 202 | 361 | 328 | 38 | 57 | 342 | 130 |
| SKA5111-0KC | 111V | 672 | 325 | 265 | 216 | 38 | 26 | 150 | 166 | 212 | 371 | 363 | 48 | 68 | 348 | 130 |
| SKA5121-0KC | 121V | 771 | 347 | 265 | 216 | 36 | 26 | 150 | 167 | 217 | 385 | 363 | 39 | 60 | 430 | 147 |
| SKA5131-0KC | 131V | 852 | 377 | 300 | 254 | 35 | 30 | 175 | 194 | 249 | 427 | 435 | 53 | 76 | 477.5 | 147 |
| SKA5161-0KC | 161V | 1044 | 479 | 370 | 389 | 52 | 30 | 210 | 225 | 303 | 521 | 485 | 51 | 80 | 570 | 201 |
| 型号 | 曲线编号 | F | N | S1 | S2 | T | d1 | d2 | d3 | d4 | d5 |
| SKA5110-0KC… | 101V | 464 | 92 | ф12×23 | ф12 | 340 | 19 | 160 | 123 | 97 | 52 |
| SKA5111-0KC… | 111V | 500 | 92 | ф12×23 | ф12 | 340 | 19 | 160 | 123 | 97 | 52 |
| SKA5121-0KC… | 121V | 584 | 97 | ф12×23 | ф12 | 382 | 19 | 182 | 142 | 113 | 66.5 |
| SKA5131-0KC… | 131V | 658.5 | 103 | ф12×23 | ф14 | 382 | 19 | 182 | 142 | 113 | 66.5 |
| SKA5161-0KC… | 161V | 808 | 138 | ф15×27 | ф14 | 450 | 22 | 200 | 156 | 130 | 80 |
| 型号 | 曲线编号 | W1 | W2 | W3 | ″d(N1.0,N2.0)″ | N3.0 | N4.2 | N8.7 |
| SKA5110-0KC… | 101V | 180 | 52 | 27 | ″DN50/2″ | G3/4″(丝长24) | G3/8″(丝长25) | G3/8″(丝长11) |
| SKA5111-0KC… | 111V | 180 | 52 | 27 | ″DN50/2″ | G3/4″(丝长24) | G3/8″(丝长25) | G3/8″(丝长11) |
| SKA5121-0KC… | 121V | 200 | 57 | 29 | ″DN65/21/2″ | G3/4″(丝长24) | G3/8″(丝长25) | G3/8″(丝长11) |
| SKA5131-0KC… | 131V | 200 | 62.5 | 32 | ″DN65/21/2″ | G3/4″(丝长24) | G3/8″(丝长25) | G3/8″(丝长11) |
| SKA5161-0KC… | 161V | 250 | 81 | 41 | ″DN80/3″ | G3/4″(丝长24) | G3/8″(丝长25) | G3/8″(丝长11) |
2SK系列两级水环真空泵主要技术规范表
| 型号 |
抽气量 (m3/min) |
极限真空 (Mpa) | 电力功率 (KW) | 转速 (r・p・m) | 供水量 (L/min) | 吸入口径 (mm) | 排出口径 (mm) |
泵重 (包括电机) (Kg) |
|
最大气量 Max |
||||||||
| 2SK-1.5 | 1.5 | -0.097 | 4 | 1440 | 10-15 | 40 | 40 | 230 |
| 2SK-3 | 3 | -0.098 | 7.5 | 1440 | 15-20 | 40 | 40 | 320 |
| 2SK-6 | 6 | -0.098 | 15 | 1460 | 25-35 | 50 | 50 | 500 |
| 2SK-12 | 12 | -0.098 | 22 | 970 | 40-50 | 100 | 100 | 800 |
| 2SK-20 | 20 | -0.098 | 45 | 740 | 60-80 | 125 | 125 | 1750 |
| 2SK-30 | 30 | -0.098 | 75 | 740 | 70-90 | 125 | 125 | 1950 |
2SK-1.5P1两级水环真空泵外形及安装尺寸图

2SK-1.5P1两级水环真空泵外形及安装尺寸图
| 型号 | A | B | C | D | E | F | G | H | I | J | K | L | M | N | P | Z | n | d1 | d2 | d3 | d4 | d5 | d6 | d7 | d8 | d9 | 地脚螺栓 |
| 2SK-1.5P1 | 605 | 125 | 125 | 950 | 1150 | 212 | 144 | 252 | 360 | 404 | 584 | 764 | 255 | 410 | 25 | G1/2″ | 4 | ф140 | ф98 | ф40 | M12 | ф120 | ф92 | ф40 | ф18 | ф14 | M16×400 |
2SK-3P1、2SK-6P1、2SK-12P1、2SK-20P1、、2SK-30P1两级水环真空泵外形及安装尺寸图

2SK-3P1、2SK-6P1、2SK-12P1、2SK-20P1、、2SK-30P1两级水环真空泵外形及安装尺寸图
| 型号 | A | A1 | B | B1 | C | D | D1 | E | F | G | H | I | J | K | L | M | N | P | S | T | I | n1 | n2 | d1 | d2 | d3 | d4 | d5 | d6 | d7 | 地脚螺栓 |
| 2SK-3P1 | 710 | / | 400 | 400 | 1136 | 460 | 460 | 1346 | 417 | 491 | 265 | 35 | 159 | 214 | 157 | 344 | 162 | 99 | 357 | 570 | G1/2″ | 4 | 4 | 18 | 120 | 152 | 18 | 110 | 150 | 18 | M12×300 |
| 2SK-6P- | 863 | / | 420 | 420 | 1391 | 470 | 470 | 1623 | 500 | 608 | 315 | 30 | 218 | 234 | 183 | 429 | 210 | 99 | 515 | 743 | G1/2″ | 4 | 4 | 18 | 120 | 152 | 18 | 125 | 160 | 18 | M16×400 |
| 2SK-12P1 | 1037.5 | / | 520 | 460 | 1642 | 580 | 580 | 1965 | 615 | 750 | 375 | 30 | 216 | 246 | 183 | 599 | 280 | 120 | 565 | 800 | G1/2″ | 6 | 6 | 14 | 150 | 180 | 14 | 170 | 200 | 15 | M24×3630 |
| 2SK-20P1 | 700 | 725 | 690 | / | 2023 | 750 | / | 2306 | 840 | 1004 | 500 | 30 | 306 | 283 | 225 | 619 | 350 | 180 | 774 | 1022 | G3/4″ | 8 | 6 | 18 | 200 | 235 | 18 | 200 | 235 | 18 | M24×630 |
| 2SK-30P1 | 810 | 775 | 720 | / | 2265 | 780 | / | 2715 | 840 | 1004 | 500 | 30 | 344 | 283 | 225 | 749 | 350 | 180 | 1016 | 1264 | G3/4″ | 8 | 6 | 18 | 200 | 235 | 18 | 200 | 235 | 18 | M24×630 |
2SK-P1系列两级水环-大气喷射泵机组主要技术规范表
| 型号 | 抽气量(m3/min) | 极限真空 (Mpa) | 电力效率 (KW) | 转速 (r・p・m) | 供水量 (L/min) | |
|
吸入压力为 -0.097Mpa |
吸入压力为 -0.098Mpa |
|||||
| 2SK-0.4P1 | 0.28 | 0.24 | -0.099 | 2.2 | 2860 | 3~5 |
| 2SK-0.8P1 | 0.56 | 0.48 | -0.099 | 3 | 2880 | 5~8 |
| 2SK-1.5P1 | 1.05 | 0.9 | -0.099 | 4 | 1440 | 10~15 |
| 2SK-3P1 | 2.1 | 1.8 | -0.099 | 7.5 | 1440 | 15~20 |
| 2SK-6P1 | 4.2 | 3.6 | -0.099 | 15 | 1460 | 25~35 |
| 2SK-12P1 | 8.4 | 7.2 | -0.099 | 22 | 970 | 40~50 |
| 2SK-20P1 | 14 | 12 | -0.099 | 37 | 740 | 60~80 |
| 2SK-30P1 | 21 | 18 | -0.099 | 55 | 740 | 70~90 |
注:1、表中所列性能指标是在下列条件下得出:
① 大气压1013mbar
② 水温15℃
③ 空气温度20℃
④ 相对湿度70%
2、供水量为吸入真空-0.06Mpa时的数值,极限真空时可大于此数值。
3、抽气量偏差10%
性能曲线图及安装尺寸图

性能曲线图及安装尺寸图
| 型号 | A | B | C | D | E | F | G | H | I | J | K | L | M | N | P | R |
| 2SK-0.4 | 310 | 350 | 20 | 590 | 160 | 200 | 235 | ф14 | 280 | 102 | G1″ | 50 | 104 | 36 | 5 | 15 |
| 2SK-0.8 | 335 | 375 | 20 | 660 | 170 | 210 | 260 | ф14 | 280 | 102 | G1″ | 50 | 104 | 36 | 5 | 15 |
注:
1.本网页的SKA系列水环式真空泵结构、结构图、尺寸、参数、流量、扬程、电机转速等主要性能参数,以及安装尺寸图、安装尺寸表均只适用于参考,详细CAD图、安装图、以及产品说明书请向泛亚电竞
水泵营销人员索取。
2.由于编辑水平有限,错误和不妥之处在所难免,真诚希望您批评指正。
SKA系列水环式真空泵相关产品
下一页:X-100B型旋片式机械真空泵
返回至本系列目录:真空泵
上一页:JZJS罗茨泵-水环泵机组